Manual Six Dimensional Combination Stage
Product specifications:
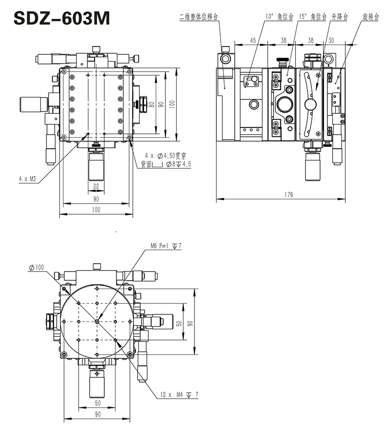
| Product model | SDZ-602M | SDZ-603M | SDZ-604M |
| Table size | 60mm | 100mm | 125mm |
| Displacement direction | X:6.5mm | X:25mm | X:12.5mm |
| Y:6.5mm | Y:25mm | Y:12.5mm | |
| Z:10mm | Z:13mm | Z:13mm | |
| θx:15° | θx:15° | θx:15° | |
| θy:10° | θy:10° | θy:15° | |
| θz:360° | θz:360° | θz:360° | |
| Driving mode | Micrometer head | ||
| Drive position | Lateral drive | ||
| scale | 10μ/0.5μ | 10μ/0.5μ | 10μ/0.5μ |
| precision | 3μ/1.5μ | 3μ/1.5μ | 3μ/1.5μ |
| Adjustment amount | 2μ/0.1μ | 2μ/0.1μ | 2μ/0.1μ |
| Guide form | Cross roller guide | ||
| bear | 5kg | 7kg | 9kg |
| straightness | 2μ | 2μ | 2μ |
| runout | 25″ | 25″ | 25″ |
| Tilt | 15″ | 15″ | 15″ |
| Mesa parallelism | 15μ | 15μ | 15μ |
| Parallelism of motion | 7μ | 7μ | 7μ |
| Be self-possessed | 3kg | 5kg | 8kg |
| Materials | duralumin | ||
| Surface treatment | Anodized black | ||
| Parts list | PT-R60 one | PT-R100 one | LD125 one |
| PT-SD14-60 one | PT-SD14-100 one | PT-R125 one | |
| PT-XY60-R one | PT-XY100-R one | PT-SD14-125 one | |
| PT-SD308 one PT-SD306 one | PT-SD310 two | PT-SD3144 two | |



We have Processing equipment: CNC 10 sets, Lathe 8 sets, milling machine 11 sets. We have a group of experienced high-level processing technicians. Our products are sent to the Metrology Institute for random inspection every year regularly and issue inspection report.
Have the industry leading level of the designer, can strictly grasp the product design and processing precision.
We have experienced and skilled assembly master.
Our products from the design concept, the processing technology, the assembly technology omni-directional control.Provide high quality products for users.
If our standard products do not meet your requirements, we can customize them according to your requirements.
We are glad that you can cooperate with us.As the journey is far away, please be sure to see the parameters or communicate with our sales when selecting the product, Avoid buying wrong products to delay your use.












