Features of the lifting platform:
The lead screw motor eliminates the intermediate steps and has a lower initial height.
Imported motors, with high precision and large capacity;
The screw has a small pitch, high resolution, and the reverse clearance is negligible.
Multiple sets of cross-roller guide rails, with excellent stability;
Characteristics of the sliding platform:
Imported precision ball screw drive, with excellent repeat positioning accuracy and absolute positioning accuracy, small axial clearance, and long service life.
The guide rail adopts precision linear slider guide rail (square, connected with the base plate as a whole), providing comfortable movement, large load-bearing capacity, suitable for single-axis heavy-load or multi-axis combined use.
The precision grinding of the base plate of the electronic stage and the reasonable guide rail fixation method greatly reduce the pitch and swaying of the electronic stage, significantly improving the straightness and parallelism of the movement.
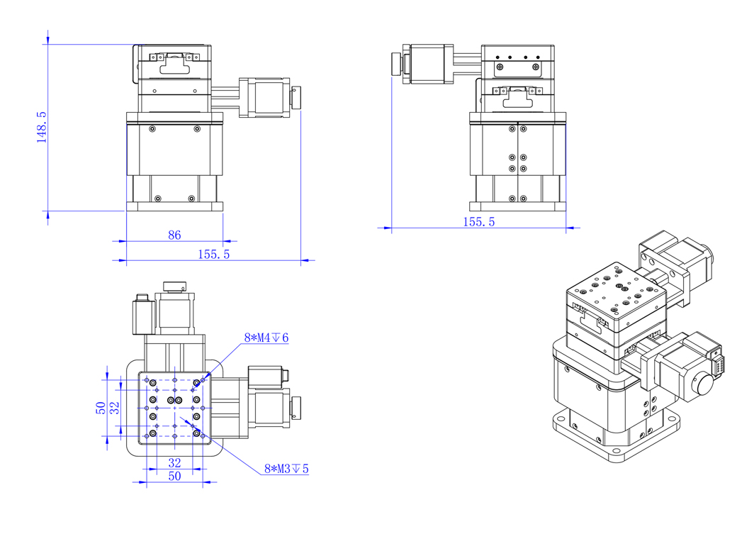
Product Specifications:
| Translation: Parameters of the translation stage | ||
| Work surface | 65mm×65mm | |
| Itinerary | 25mm | |
| Stepper motor | 35 stepper motor + ball screw φ8×P1 | |
| Guide rail | Cross-shaped rolling guide rail | |
| Pitch angle | 1.8° | |
| Phase current | 0.8A | |
| Resolution: Full Step / Half Step | 5μm/2.5μm | |
| Maximum speed | 3mm/sec | |
| Repeatability of positioning accuracy | ±3μ | |
| Absolute positioning accuracy | 10μ | |
| Parallelism | 30μm | |
| Motion parallelism | 10μm | |
| Load-bearing capacity | Parallel:10kgf(98N) Vertical:5kgf(49N) | |
| Self-respect | 1.1kg | |
| Material surface treatment | Aluminum - Black Anodizing Treatment | |
| Lifting platform parameters | ||
| Structural Description | Itinerary | 20mm |
| Table surface size | 86×86mm | |
| Screw rod | Direct drive motor lead screw | |
| Pitch | 0.794MM | |
| Rail form | Cross roller guide rail | |
| Main materials | Aluminum alloy | |
| Surface treatment | Black oxidation | |
| weight | 1.5kg | |
| Precision description | Resolution | 7.938μm (No subcategories) 0.397μm (20 subcategories) |
| Speed | ≤5mm/sec | |
| Precision | 8μm | |
| Load-bearing capacity 5 | 10kg | |
| Idle travel | 5μm | |
| Parallelism | 50μm | |
| Motion parallelism | 15μm | |
| Pitch | 25" | |

We are glad that you can cooperate with us.,As the journey is far away, please be sure to see the parameters or communicate with our sales when selecting the product, Avoid buying wrong products to delay your use.









